1. 机房电力无功补偿和谐波治理现状
数据中心机房电力主要由10kV/0.4kV电力变压器的低压供配电系统向UPS不间断电源系统和机房空调动力照明系统供电,UPS不间断电源供配电系统主要由UPS输入输出配电柜、UPS和蓄电池组成,机房空调动力照明供配电系统主要由空调动力配电柜和照明配电箱组成。
在数据中心机房电力供配电系统中,减小谐波影响、提高功率因数是提高电能质量、减少电能损耗的两个重要方面。
1.1机房供配电系统的谐波
1.1.1谐波的来源
数据中心机房电力供配电系统中谐波的来源主要来自非线性负荷,包括UPS、开关电源、计算机、服务器、变频空调、变频器、电梯等。不同厂家的设备产生谐波电流含量有较大的差异,但普遍都偏高,电流总谐波畸变率THDi甚至超过了50% ,5次、7次、11次谐波严重,有时也含有较大份量的3次谐波。
UPS系统能够极大地提高数据中心供配电系统的可靠性,但由于其非线性特性,对电网往往产生严重的谐波污染,对工频机尤为明显。6脉冲的UPS其3次、5次、7次、11次谐波较大,其谐波电流畸变率THDi为30%~50%;12脉冲的UPS其11次、13次、17次谐波较大,其THDi为5%~10%;6脉冲变频器THDi为33%~55%;12脉冲变频器THDi为10%~12%;开关电源THDi为15%~20%;变频空调THDi为10%~23%;电梯THDi为15%~33%;LED屏THDi为30%~100%;半导体照明THDi为15%~20%;气体放电灯THDi为15%~20%。
1.1.2谐波的危害
(1)谐波会使相位控制设备正常工作因控制信号的紊乱而受到干扰,如电子计算机工作失常、电子设备误触发、电子元件工作失灵等。如影响电气计量仪表的准确性,给供电部门和用电部门带来电能计量误差的经济损失。
(2)谐波会使通信线路、信息线路产生噪声、甚至造成故障。
(3)谐波会使电动机效率降低、发热增加并造成明显的局部发热、机械振动和噪声加大、加速绝缘老化等现象,缩短电动机使用寿命。如影响机房空调压缩机和风机的正常工作。
(4)谐波会使电力变压器产生附加损耗,引起过热、加速绝缘介质老化,导致绝缘损坏,使得变压器铁芯产生磁滞伸缩和噪声,使得电抗器产生振动和噪声。
(5)谐波会使并联电容器过载发热,容易使电容器与系统中感性阻抗构成谐波谐振而发热击穿,谐波电压与基波电压峰值叠加使电容器介质容易发生局部放电,减少电容器使用寿命。
(6)谐波电流的发热作用大于有效值相等的工频电流,降低热元件的发热动作电流,从而影响断路器电流保护整定值,另外高次谐波含量较高的电流能使断路器的开断能力降低,严重时使得断路器吹磁线圈不能正常工作。
(7)谐波会导致继电保护和自动控制装置出现误动作或拒动作,造成保护失灵。
(8)谐波会加速电缆老化,缩短使用寿命。
(9)谐波会使电网中的电力设备产生附加的损耗造成电能的浪费,大量谐波流过中线会使线路过热,严重的甚至可能引发火灾。
1.2机房电力无功损耗
1.2.1电力无功损耗的产生
电力无功是能量交换的速率,本身并不产生损耗。但无功电流会占用大量的线路输送能力,而线路是有电阻的,无功负荷在能量交换过程中必然带来有功损耗,而且负荷与电源的距离越远则损耗越大,为了减小这方面的损失,我们就要在无功负荷设备的旁边加装反性质的无功负荷,使其互相进行能量交换,减小对电源的依赖,达到提高线路输送能力及减小线损的目的。
数据中心机房电力供配电网中存在着大量的感性负载,如机房空调、风机、大功率整流器、变频装置、开关电源、电梯等,这些感性负载设备大部分功率因数低,在运行中消耗大量的无功,使得配电系统损耗大大增加。
通常6脉冲UPS功率因数在0.8~0.9之间,12脉冲UPS功率因数在0.9~0.99之间,精密空调功率因数在0.7~0.8之间。负载的功率因数越低,它所吸收的无功功率就越大,在无功功率的输送过程中引起有功功率的损耗也就越大。
1.2.2电力无功补偿的意义
电力无功补偿基本原理:把具有容性功率负荷的装置与感性功率负荷并联接在同一电路,能量在两种负荷之间相互交换。这样,感性负荷所需要的无功功率可由容性负荷输出的无功功率补偿,其意义在于:
(1)补偿无功功率,可以增加电网中有功功率的比例常数,就是提高用户电网的功率因数,这等于提高用户电网的效率,提高变压器的供电能力,使同一台变压器能够带动的设备更多,或者带动功率更大的负载,同时避免系统功率因数低于考核值而受到供电部门的罚款。
(2)通过无功补偿,可以减少电网的线路损耗,直接降低变压器消耗,减少电能浪费,减少损耗成本。
(3)无功补偿可以提高电能质量,使电压和频率更稳定,从而保证用电设备工作更稳定,工作效率更高,同时因电能质量高,也会使用电设备的故障率降低,达到更好的效益。
(4)用户电网的功率因数提高以后,电网的负载能力就得到提高,减少设备的设计容量。例如当功率因数从0.8增加到0.95时,装1kVar电容器可节省设备容量0.52kW;反之增加0.52kW;对新建、改建工程,应充分考虑合理的无功补偿,可以减少设计容量,节省投资,提高经济效益。
1.3机房电力无功补偿和电力谐波标准
1.3.1电力无功补偿标准
根据《供配电系统设计规范》GB50052-2009规定:
(1)当采用提高自然功率因数措施后,仍达不到电网合理运行要求时,应采用并联电力电容器作为无功补偿装置。
(2)无功补偿容量,宜按无功功率曲线或按以下公式确定:
Qc=P(tanφ1- tanφ2)
式中:Qc 是无功补偿容量(kvar),P 是用电设备的计算有功功率(kW),tanφ1 是补偿前用电设备自然功率因数的正切值,tanφ2 是补偿后用电设备功率因数的正切值,取cosφ2 不小于0.9 值。
cosφ2为供配电系统采用电容器补偿后达到的功率因数值。
1.3.2电力谐波标准
(1)根据《电子信息系统机房设计规范》GB50174-2008规定:
不间断电源系统输入端总谐波畸变电流THDi<15%(3~39次谐波)。
(2)根据《电能质量公用电网谐波》GBT 14549-1993规定:
① 总谐波畸变电压THDu:
.png)
② 总谐波畸变电流THDi:
.png)
.png)
式中:IH是谐波电流含量,I1是基波电流(方均根值),Ih是第h次谐波电流(方均根值)。
③ 注入电网公共连接点的谐波电流允许值Ih:
.png)
1.4机房电力无功补偿和电力谐波滤波的一般应用方式
针对目前机房电力无功补偿和电力谐波滤波的一般应用方式,根据机房供配电系统架构的不同本文列举出六大类一般应用方式如下:
(1)一般应用方式1:
供配电系统架构为:电力变压器→低压配电柜→UPS输入配电柜&机房空调配电柜→UPS→UPS输出配电柜→UPS列头柜。
供配电系统节能净化措施接入点:设置3个接入点如下图示。
.png)
① 第1种应用情况:
接入点1:电力变压器低压配电柜进线开关输出母线前端设置补偿接入点1,通常采用并联电力电容器无功补偿。
接入点2:机房UPS输入配电柜进线开关输出母线前端设置谐波滤波接入点2,通常采用无源滤波器滤波。
接入点3:机房空调配电柜进线开关输出母线前端设置补偿接入点3,通常采用并联电力电容器无功补偿。
② 第2种应用情况:
接入点1:采用并联电力电容器无功补偿。
接入点2:采用无源滤波器滤波。
接入点3:无措施。
③ 第3种应用情况:
接入点1:采用并联电力电容器无功补偿。
接入点2:无措施。
接入点3:采用并联电力电容器无功补偿。
④ 第4种应用情况:
接入点1:采用并联电力电容器无功补偿。
接入点2:无措施。
接入点3:无措施。
(2)一般应用方式2:
供配电系统架构为:电力变压器→低压配电柜→UPS输入配电柜→UPS→UPS输出配电柜→UPS列头柜。
供配电系统节能净化措施接入点:设置2个接入点如下图示。
.png)
① 第1种应用情况:
接入点1:电力变压器低压配电柜进线开关输出母线前端设置补偿接入点1,通常采用并联电力电容器无功补偿。
接入点2:机房UPS输入配电柜进线开关输出母线前端设置谐波滤波接入点2,通常采用无源滤波器滤波。
② 第2种应用情况:
接入点1:采用并联电力电容器无功补偿。
接入点2:无措施。
(3)一般应用方式3:
供配电系统架构为:电力变压器→低压配电柜→UPS输入配电柜→UPS(n台并机)→UPS输出配电柜→UPS列头柜。
供配电系统节能净化措施接入点:设置(1+n)个接入点如下图示。
.png)
① 第1种应用情况:
接入点1:电力变压器低压配电柜进线开关输出母线前端设置补偿接入点1,通常采用并联电力电容器无功补偿。
接入点4:机房UPS输入配电柜UPS回路配电分支母线设置谐波滤波接入点4,通常采用无源滤波器滤波,每台UPS回路配电分支母线设一个接入点4。
② 第2种应用情况:
接入点1:采用并联电力电容器无功补偿。
接入点4:无措施。
(4)一般应用方式4:
供配电系统架构为:电力变压器→低压输入配电柜→UPS & 机房空调配电柜→UPS输出配电柜→UPS列头柜。
供配电系统节能净化措施接入点:设置2个接入点如下图示。
.png)
① 第1种应用情况:
接入点1:电力变压器低压配电柜进线开关输出母线前端设置补偿接入点1,通常采用并联电力电容器无功补偿。
接入点2:电力变压器低压配电柜进线开关输出母线前端设置谐波滤波接入点2,通常采用无源滤波器滤波。
② 第2种应用情况:
接入点1:采用并联电力电容器无功补偿。
接入点2:无措施。
(5)一般应用方式5:
供配电系统架构为:电力变压器→低压配电柜→机房空调配电柜。
供配电系统节能净化措施接入点:设置2个接入点如下图示。
.png)
① 第1种应用情况:
接入点1:电力变压器低压配电柜进线开关输出母线前端设置补偿接入点1,通常采用并联电力电容器无功补偿。
接入点3:机房空调配电柜进线开关输出母线前端设置补偿接入点3,通常采用并联电力电容器无功补偿。
② 第2种应用情况:
接入点1:采用并联电力电容器无功补偿。
接入点3:无措施。
(6)一般应用方式6:
供配电系统架构为:电力变压器→低压配电柜→机房输入配电柜→UPS & 机房空调配电柜→UPS输出配电柜→UPS列头柜。
供配电系统节能净化措施接入点:设置3个接入点如下图示。
.png)
① 第1种应用情况:
接入点1:电力变压器低压配电柜进线开关输出母线前端设置补偿接入点1,通常采用并联电力电容器无功补偿。
接入点4:机房UPS输入配电柜进线开关输出母线前端设置谐波滤波接入点4,通常采用无源滤波器滤波。
接入点3:机房空调配电柜进线开关输出母线前端设置补偿接入点3,通常采用并联电力电容器无功补偿。
② 第2种应用情况:
接入点1:采用并联电力电容器无功补偿。
接入点4:采用无源滤波器滤波。
接入点3:无措施。
③ 第3种应用情况:
接入点1:采用并联电力电容器无功补偿。
接入点4:无措施。
接入点3:采用并联电力电容器无功补偿。
④ 第4种应用情况:
接入点1:采用并联电力电容器无功补偿。
接入点4:无措施。
接入点3:无措施。
1.5现状分析
从以上机房电力无功补偿和电力谐波滤波的一般应用方式现状来看,存在如下几点问题:
(1)在电力变压器低压配电柜进线开关输出母线前端设置补偿接入点1进行电力无功补偿是最常用的、最普遍的应用方式,也是根据供电部门要求是必须设置的无功补偿点。而其他许多补偿接入点和线路虽然存在功率因数低符合进行无功补偿条件却没有采取补偿措施;
(2)目前无功补偿技术一般采用的是老式补偿技术,即采用自动投切电容器组和静止无功补偿器进行补偿,存在补偿效果差、安全可靠性低等缺点。
(3)采用专用的电力谐波滤波器治理电网谐波的应用案例较少,一般用的多是无源电力滤波器,存在谐波补偿效果差,占地面积大,安全可靠性低等缺点。
近年来随着我国电力补偿技术的进步,静止无功补偿器SVG和电力有源滤波器APF这些国际先进的可靠的电力补偿技术装备应用逐步普及,推广使用电力静止无功补偿器和电力有源滤波器可极大地提高电网安全可靠性和推进其节能减排目标的实现。
2. 供配电系统无功补偿技术和谐波治理技术
2.1供配电系统的动态补偿技术
2.1.1自动投切电容器组(TSC,接触器投切)
TSC采用电容器分组投切方法向电网增加容性无功负载,提高电网功率因数,是目前主流的低压成套配电无功补偿方式。
(1)主要优点:
该法技术简单、成本低。
(2)主要缺点:
① 分组投切补偿是间断的、不连续的。
② 存在欠补偿或过补偿等问题。
③ 存在谐波引起的并联谐振或谐波放大问题,严重影响到电容器组的运行安全与寿命
2.1.2静止无功补偿器(SVC)
SVC是由晶闸管控制投切电抗器和电容器组组成,实现无接点快速投切,提高电网功率因数。
(1)主要优点:
无功调节速度快、且能实现平滑调节。
(2)主要缺点:
① 该运行方式在投切时容易产生高次谐波,需配置无源滤波器来吸收。
② 设备功耗较大。
③ 可能引起超载而损坏。
2.1.3静止无功发生器(STATCOM、SVG)
其主体是一个电压源型逆变器,由可关断型器件适当的通断,将电容上的直流电压转换成为与电力系统电压同步的三相交流电压,再通过电抗器和变压器并联接入电网。适当控制逆变器的输出电压,就可以灵活地改变其运行工况,使其处于容性、感性或零负荷状态。
目前静止无功发生器SVG已成为补偿领域重要而可靠的技术手段,是无功功率控制领域内的优选方案,适用在数据中心供配电系统中使用。
(1)其优越性能如下:
① SVG采用的是电源模块进行无功补偿,补偿后的功率因素一般在0.98以上,是目前国际上先进的电力技术。
② SVG在5-20毫秒的时间就可以完成一次补偿,适用于无功功率动态变化快、变化率高和需要双向补偿的场合。
③ 一般无功补偿装置采用的是3—10级的有级补偿,每增减一级就是几十千法电容量,不能实现精确的补偿。而SVG可以从0.1千法开始进行无极补偿,完全实现平滑、无级差、连续精确补偿,达到并维持制定的功率因数。
④ 一般无功补偿装置采用的是电容式,电容本身会放大谐波,所以根本不能滤除谐波,SVG不产生谐波更不会放大谐波,并且可以滤除50%以上的谐波。
⑤ 一般无功补偿装置使用寿命较短,自身损耗大而且要经常进行维护。SVG使用寿命长,自身损耗极小且基本上不要维护,无损坏危险。
⑥虽然初始投入成本较高,但维护成本低。
(2)静止无功发生器SVG工作原理
.png)
.png)
静止无功发生器SVG是通过控制自换相桥式电路交流侧电流,迅速吸收或发生所需的无功功率,进行动态无功补偿,SVG通过内部DSP计算分析负载电流的无功含量,根据设置值来控制PWM信号发生器发出控制信号给内部IGBT,使逆变器产生满足要求的无功补偿电流。
图中Us为电网电压,Ui为SVG输出的交流电压,IL为电抗器上通过的电流。在空载运行时:Ui=Us,IL=0,SVG不吸收也不发出无功;在容性运行时:Ui>Us,IL为超前的电流,其幅值可以通过调节Ui来连续控制,从而连续调节SVG发出的无功;在感性运行时:Ui<Us,IL为滞后的电流,此时SVG吸收的无功可以连续控制。
图中A点为电源电压采集点和输出补偿电流的输送点,B点为线路电流信号采集点。
2.2供配电系统谐波治理技术
2.2.1无源电力滤波器(LC滤波器)
无源谐波滤波器也称为被动调谐式滤波器或简称LC滤波器, 是由无源元件包括滤波电容器、电抗器和电阻器适当组合而成的滤波装置,无源电路中的器件不需要工作电源的支持。无源谐波滤波器与谐波源并联,除了起到滤波作用外,还兼顾无功补偿的需要,被广泛地应用于UPS设备和供配电系统中。
(1)主要优点:
① 简单易行,可靠性高。
② 做成模块化结构,可以根据需要配置,可安装到设备中,也可安装到系统中。
③ 对设计所调谐的谐波,有很好的滤波效果。
④ 这种滤波器可同时在某种程度上提高输入功率因数PF。
⑤ 初始投入成本较低。
(2)主要缺点:
① 频率特性差:滤波频谱很窄,只能补偿固定频率的谐波,补偿效果也不甚理想。
② 有级差补偿,响应速度慢,负载适应能力差,其滤波效果往往不够理想。
③ 补偿特性受电网阻抗和运行状态影响,易和系统发生并联谐振,导致谐波放大,造成电网谐波污染,使LC滤波器可能过载甚至烧毁。
④ 对电力电容器配置量大,占地面积大。
⑤ 维护成本高。
2.2.2有源电力滤波器(APF)
有源电力滤波器是由有源元件和无源元件组成的,包括电子器件如双极型管、单极型管、集成运放构成的谐波补偿设备,有源电力滤波器采用开关变换器消除谐波电流,电路中的元件必须有工作电源的支持。有源滤波器主动产生补偿谐波电流,抵消电网中的谐波成分。APF是一种用于动态抑制谐波、补偿无功的新型电力电子装置,适用在数据中心供配电系统中使用。
(1)其优越性能如下:
① 响应速度快,无级差补偿,滤波能力强,滤波效果稳定,运行损耗小,效率高。
② 能同时动态实时滤除全部谐波或多种选定谐波,可对2到50次之间的谐波进行有选择的补偿或对全部谐波进行补偿。
③ 在滤除谐波的同时能动态补偿基波的无功功率,提高功率因数。
④ 安全性好,对配电系统不产生任何负面影响,不存在谐波或电压放大,可自动限制输出电流,可以抑制系统中的串联谐振和并联谐振,装置永不过载。
⑤ 可对不平衡进行补偿,避免负序电流对电网和电气设备的影响。
⑥ 通用性强,适用于任何谐波治理的场合。
⑦ 可以通过设备自行判断得到最佳滤波效果,能自动适应电网的阻抗变化,滤波效果不受系统阻抗的影响。
⑧ 能降低线路损耗,消除变压器和电机发热,实现系统大幅度节能。
⑨ 虽然初始投入成本较高,但维护成本低。
(2)有源电力滤波器APF工作原理
.png)
有源电力滤波器APF通过检测补偿对象的电压和电流,对负载电流进行各次谐波和无功的分离,经指令电流运算电路计算得出补偿电流的指令信号,该信号经补偿电流发生电路放大,其相位与谐波电流与无功电流的相位相反,而大小相等,能够快速主动输出补偿电流以抵消负载中相应谐波和无功电流分量,实现动态跟踪补偿,保证电网流入负载的电流不畸变。
工作原理图中A点为电源电压采集点和输出补偿电流的输送点,B点为线路电流信号采集点。
从下例图“APF使用效果图”中可以看出某配电系统在APF开启前电流波形畸变率很大,波形失真严重,而在APF开启后电流波形得到极大的改善,畸变率很小。
.png)
3. 静止无功补偿器和电力有源滤波器应用实用技术
3.1静止无功补偿器应用实用技术
3.1.1主要技术参数
这里列举出一种适合数据中心电力系统使用的静止无功补偿器SVG产品的主要技术参数,其他与其类似,列举如下:
(1)额定电压:AC380V±20%;
(2)额定频率:50Hz±5%;
(3)额定容量:30kVar、50kVar、75kVar、100kVar、150kVar、200kVar、250kVar、300kVar、350kVar、400kVar、450kVar、500kVar;
(4)响应时间:瞬时响应≤50μs,全响应≤8ms;
(5)目标功率因数:容性感性连续可调,补偿后功率因数大于等于0.99;
(6)通信方式:Modbus远程通信协议,通信接口RS485/232,CAN总线;
(7)安装方式:模块嵌入式安装;
(8)模块最大并联数:7个。
(9)产品尺寸可定制,参考尺寸W615xD715xH222。
3.1.2产品选型计算方法
静止无功补偿器SVG产品的选型计算一般采用“选型表法”和“查表计算法”,这里以一种产品为例说明如下。
(1)选型表法
“选型表法”就是根据数据中心相关电力变压器容量配置SVG产品容量,如下表:
.png)
(2)查表计算法
“查表计算法”分两步进行。
① 第一步:查表法
“查表法”是根据“初始功率因数”和“目标功率因数”这两个已知条件去查产品手册表,求出“计算系数”。其中“初始功率因数”是用功率因数表检测得到的补偿前数值,通常功率因数低于0.9时需要补偿;“目标功率因数”是预计改善后的功率因数,即采用无功补偿后的功率因数,按照供电部门要求和相关电力规范要求目标功率因数应高于0.9,采用静止无功补偿器SVG可设置在0.95以上更加有利于节能;而“计算系数”表示1kW负载所需的实际补偿无功功率(kVar)。举例如下:
已知:初始功率因数cosφ1=0.85,改善后的功率因数cosφ2=0.96,求计算系数k?
根据产品手册表查表:
.png)
得出k=0.328。
② 第二步:计算法
“计算法”是根据“负载有功功率”和“计算系数k”这两个已知条件的乘积,求出“SVG的安装容量”。现假设负载有功功率=800kW,计算如下:
已知:负载有功功率=800kW,计算系数k=0.328,求SVG的安装容量?
解:SVG的安装容量=负载有功功率x计算系数k=800kW x 0.328=262.4kVar,根据SVG产品技术参数表选取SVG容量为250kVar。
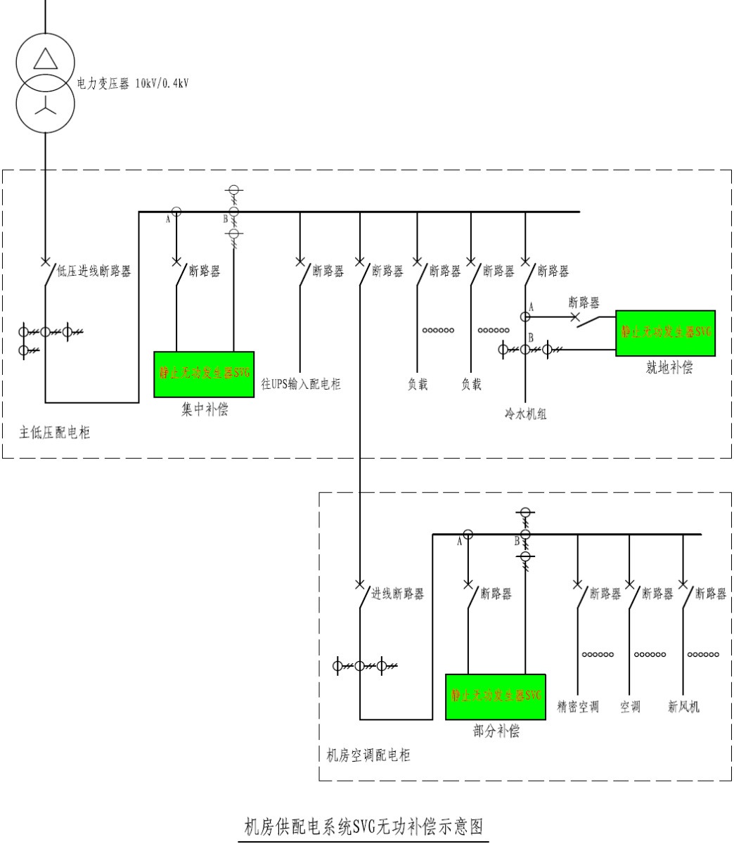
3.1.3机房供配电系统SVG无功补偿方案
机房供配电系统SVG无功补偿通常采用的方法主要有三种:集中补偿、部分补偿、就地补偿。
(1)集中补偿
在电力变压器低压侧主低压配电柜进线端安装静止无功补偿器SVG;
(2)部分补偿
在需要无功补偿的支路的汇总点安装静止无功补偿器SVG,适用于无功负载集中在某几条支路的配电系统,如机房空调配电柜进线端;
(3)就地补偿
在负载的输入端安装静止无功补偿器SVG,适用于单台容量较大或无功负载集中的配电系统,如冷水机组。
.png)
3.2电力有源滤波器应用实用技术
3.2.1主要技术参数
这里列举出一种适合数据中心电力系统使用的电力有源滤波器APF产品的主要技术参数,其他与其类似,列举如下:
(1)额定电压:AC380V±20%;
(2)额定频率:50Hz±10%;
(3)额定容量:30A、50A、75A、100A、150A、200A、250A、300A、350A、400A、450A、500A;
(4)响应时间:动态响应≤50μs,全响应≤8ms;
(5)滤波范围:2~51次谐波(可根据实际需求进行设定);
(6)滤波程度:全频段治理,可根据实际需求设定滤波次数及其幅值;
(7)通信方式:Modbus远程通信协议,通信接口RS485/232,CAN总线;
(8)安装方式:模块嵌入式安装;
(9)模块最大并联数:7个。
(10)产品尺寸可定制,参考尺寸W615xD715xH222。
3.2.2产品选型计算方法
电力有源滤波器APF产品的选型计算一般采用“选型表法”、“容量计算法”和“现场测试确定容量法”。
(1)选型表法
“选型表法”就是根据数据中心相关电力变压器容量配置APF产品容量,如下表:
.png)
(2)容量计算法
经验公式:Ih=sL x ah。
其中:Ih表示谐波电流,单位为“A”;sL表示计算负荷额定容量,单位为“kVA”;ah表示补偿系数,单位为“单位/kV”,补偿系数的选择参见如下表:
.png)
举例如下:
已知:假设数据中心负载额定容量sL=800kVA,补偿系数ah=0.2单位/kV,求谐波电流Ih?
解:谐波电流Ih=sL x ah=800x0.2=160(A),根据APF产品技术参数表选取额定容量为200A的APF。
(3)现场测试确定容量法
对于已送电运行的配电系统,如发现谐波较大而需配置电力有源滤波器APF,可进行现场配电系统谐波检测后,再根据检测结果确定所需配置APF的容量。
3.2.3机房供配电系统APF补偿方案
电力有源滤波器APF滤波补偿通常采用的方法主要有三种:集中补偿、部分补偿、就地补偿。
(1)集中补偿
在电力变压器低压侧主低压配电柜进线端安装静止无功补偿器APF,适用于负载类型较多的配电系统,非线性负载数量庞大、分散,并且单台非线性负载谐波含量小的场合;
(2)部分补偿
在主要谐波源的支路的汇总点安装需要无功补偿的支路的汇总点安装电力有源滤波器APF,适用于非线性负载集中在某几条支路的配电系统,如UPS输入配电柜进线端;
(3)就地补偿
在负载的输入端安装电力有源滤波器APF,适用于单台谐波含量较大的配电系统,如UPS机组的供电电源端。
.png)
.png)
3.3 SVG和APF应用注意事项
(1)SVG和APF与配电系统有2个接入点A和B,A点为电源电压采集点和输出补偿电流的输送点,B点为线路电流信号采集点,这两个点必须在配电母线的同一处位置,以确保配电系统的补偿效果和安全可靠性。
(2)SVG和APF的线路电流信号采集点B是通过专用电流互感器来采集电流信号的,专用电流互感器不可与其他功能混用。
(3)对于新建机房供配电系统应在设计低压配电柜柜列时就在需要补偿接入点位置预留SVG和APF补偿柜,可通过预先设置空柜和预留母线补偿接入点的方法为SVG和APF设备的安装提供条件,解决好配电柜与SVG和APF模块装置的整合问题。
(4)对于老机房配电系统节能改造增设SVG和APF装置,如母线补偿的A、B接入点离开SVG和APF装置有一定远的距离,可通过电缆连接实现,但要注意接入A点的电力电缆的截面必须满足SVG和APF的安装容量对电缆载流量的要求,接入点B的信号电缆必须采用屏蔽信号电缆,其截面不可小于2.5平方毫米。
(5)与SVG和APF连接的A点断路器对于新建机房应在预留SVG和APF补偿柜空柜内预留好,对于老机房配电系统节能改造,应在母线补偿A点处增设断路器;断路器的容量应满足SVG和APF的安装容量的要求。
(6)与SVG和APF连接的B点三相电流互感器对于新建机房应在预留SVG和APF补偿柜空柜内预留好,对于老机房配电系统节能改造,应在母线补偿B点处增设电流互感器;电流互感器的变比应与SVG和APF的安装容量匹配。
作者简介:吕纯强,浩德科技副总工,高级工程师,中国计算机用户协会机房设备应用分会专家委员会委员。本文发表于《机房技术与管理》。
返回顶部